博罗县康达盛五金塑胶电子有限公司
全国服务热线:0752-6310283
en 语言
en 语言
产品中心
您的位置:首页>产品中心>EE TYPE

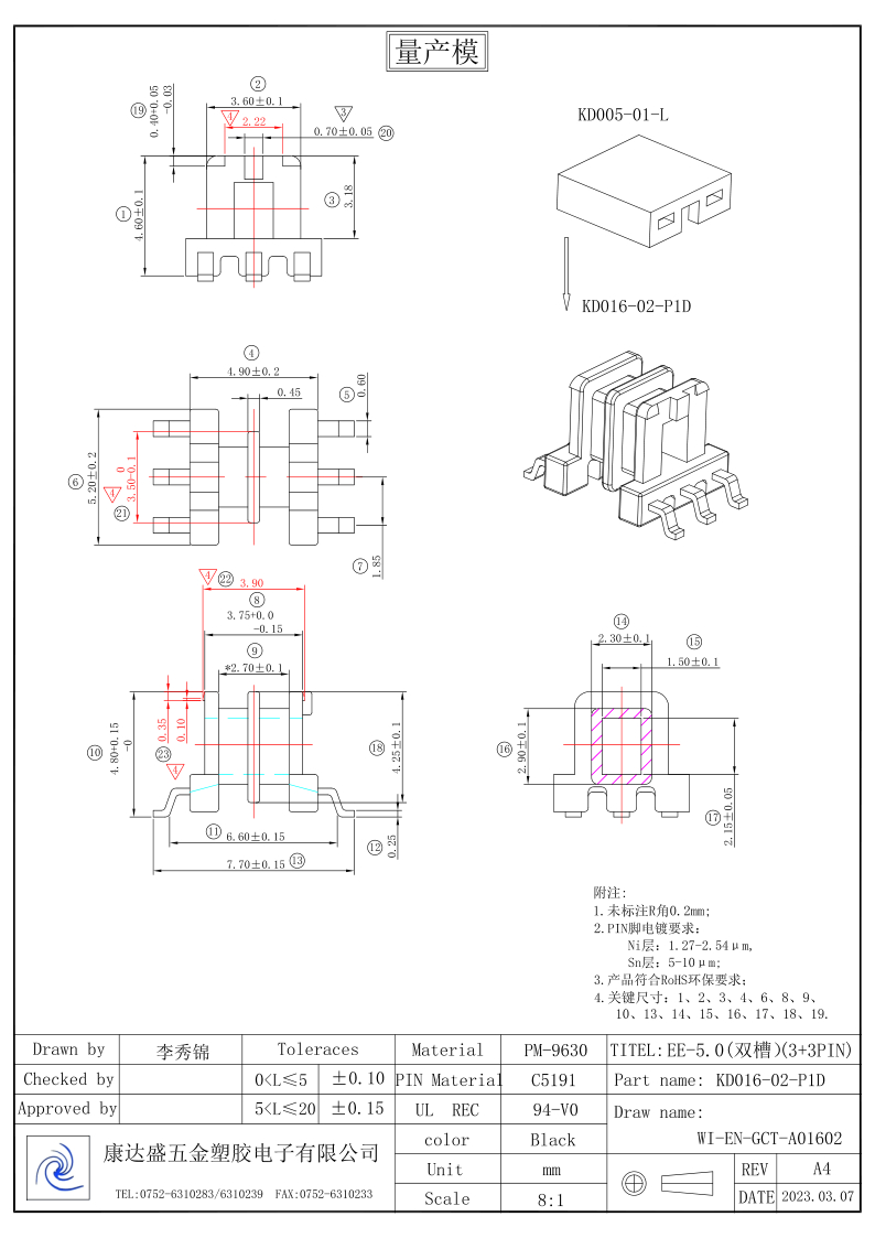
EE-5.0(双槽)(3+3PIN)

博罗县康达盛五金塑胶电子有限公司

销售热线:0752-6310283

产品描述
标签:

在线订购
在线客服
联系方式

热线电话

上班时间

公司电话

0752-6310283

二维码
线